产品概述
QBY气动隔膜泵既能抽送流动的液体,又能输送一些不易流动的介质,具有自吸泵、潜水泵、屏蔽泵、泥浆泵和杂质泵等输送机械的许多优点。
1、不需灌引水.吸程高达5m.扬程达70m.出口压力≥6bar。
2、流动宽敞,通过性能好.允许通过最大颗粒直径达10mm。抽送泥浆、杂质日寸,对泵磨损甚微;
3、扬程、流量可通过气阀开度实现无级调节(气压调节在1—7 bar之间):
4、该泵无旋转部件,没有轴封,隔膜j|等抽送的介质与泵的运动部件、工件介质完全隔开,所输送的介质不会向外泄漏。所以抽送有毒、易发挥或腐蚀性介质时,不会造成环境污染和危害人身安全;
5、不必用电.在易燃、易爆场所使用安全可靠;
6、可以浸没在介质中工作:
7、使用方便、工作可靠、开停只需简单地打开和关闭气体阀门.即使由于意外情况而长时间无介质运行或突然停机泵也不会因此而损坏.一旦超负荷,泵会自地动停机,具有自我保护性能,当负荷恢复正常后,又能自动启动运行;
8、结构简单、易损件少,该泵结构简单,安装、维修方便,泵输送的介质不会接触到配气阀,联杆等运动部件,不象其他类型的泵因转子、活塞、齿轮、叶片等部件的磨损而使性能逐步下降:
9、可输送较粘的液体(粘度在1万厘泊以下):
1 0、本泵无须用油润滑,即使空转.对泵也无任何影响,这是该泵最大特点。
1、不需灌引水.吸程高达5m.扬程达70m.出口压力≥6bar。
2、流动宽敞,通过性能好.允许通过最大颗粒直径达10mm。抽送泥浆、杂质日寸,对泵磨损甚微;
3、扬程、流量可通过气阀开度实现无级调节(气压调节在1—7 bar之间):
4、该泵无旋转部件,没有轴封,隔膜j|等抽送的介质与泵的运动部件、工件介质完全隔开,所输送的介质不会向外泄漏。所以抽送有毒、易发挥或腐蚀性介质时,不会造成环境污染和危害人身安全;
5、不必用电.在易燃、易爆场所使用安全可靠;
6、可以浸没在介质中工作:
7、使用方便、工作可靠、开停只需简单地打开和关闭气体阀门.即使由于意外情况而长时间无介质运行或突然停机泵也不会因此而损坏.一旦超负荷,泵会自地动停机,具有自我保护性能,当负荷恢复正常后,又能自动启动运行;
8、结构简单、易损件少,该泵结构简单,安装、维修方便,泵输送的介质不会接触到配气阀,联杆等运动部件,不象其他类型的泵因转子、活塞、齿轮、叶片等部件的磨损而使性能逐步下降:
9、可输送较粘的液体(粘度在1万厘泊以下):
1 0、本泵无须用油润滑,即使空转.对泵也无任何影响,这是该泵最大特点。
优 势
采用压缩空气为动力源,对于各种腐蚀性液体,带颗粒的液体,高粘度、易挥发、易燃、剧毒的液体,均能予以抽光吸尽,尤以适合易燃易爆场。
产品特点
1、由于用空气作动力,所以流量随背压(出口阻力)的变化而自动调整,适合用于中高粘度的流体。而离心泵的工作点是以水为基准设定好的,如果用于粘度稍高的流体,则需要配套减速机或变频调速器,成本就大大的提高了,对于齿轮泵也是同样如此。
2、在易燃易爆的环境中用气动泵可靠且成本低,如燃料、火药、炸药的输送,因为:第一、接地后不可能产生火花;第二、工作中无热量产生,机器不会过热;第三、流体不会过热因为隔膜泵对流体的搅动最小。
3、在工地恶劣的地方,如建筑工地、 工矿的 废水排放、由于污水中的杂质多且成分复杂,管路易于堵塞,这样对电泵就形成负荷过高的情况,电机发热易损。气动隔膜泵可通过颗粒且流量可调,管道堵塞时自动停止至通畅。
4、另外隔膜泵体积小易于移动,不需要地基,占地面极小,安装简便经济。可作为移动式物料输送泵。
5、在有危害性、腐蚀性的物料处理中,隔膜泵可将物料与外界完全隔开。
6、或是一些试验中保证没有杂质污染原料。
7、可用于输送化学性质比较不稳定的流体,如:感光材料、絮凝液等。这是因为隔膜泵的剪切力低,对材料的物理影响小。
主要用途
1、泵吸花生酱、泡菜、土豆泥、小红肠、果酱苹果浆、巧克力等。
2、泵吸油漆、树胶、颜料。
3、粘合剂和胶水、全部种类可用泵吸取。
4、各种瓦、瓷、砖器及陶器釉浆。
5、油井钻好后,用泵吸沉积物及灌浆。
6、泵吸各种乳剂和填料。.
7、泵吸各种污水。
8、用泵为油轮,驳船清仓吸取仓内污水。
9、啤酒花及发酵粉稀浆、糖浆、糖密。
10、泵吸矿井、坑道、隧道、选矿、矿渣中的积水。泵吸水泥灌浆及灰浆。
11、各种橡胶浆。
12、各种磨料、腐蚀剂、石油及泥浆、清洗油垢及一般容器。
13、各种剧毒、易燃、易挥发液体。
14、各种强酸、强碱、强腐蚀液体。
15、各种高温液体最高可耐150℃。
16、作为各种固液分离设备的前级送压装置。
16、作为各种固液分离设备的前级送压装置。
性能参数
| 型号 |
流量 (m3/h) |
扬程 (m) |
出口压力 (kgf/cm2) |
吸程 (m) |
最大允 许能 过颗粒 直径 (mm) |
最大供气 压力 (kbf/cm2) |
最大供气 消耗量 (m3/min) |
材料 | |||
| 铝合金 | 不锈钢 | 铸造铁 | 增强聚丙烯 | ||||||||
| QBY-10 | 0~0.8 | 0~50 | 6 | 5 | 1 | 7 | 0.3 | ★ | ★ | ★ | ★ |
| QBY-15 | 0~1 | 0~50 | 6 | 5 | 1 | 7 | 0.3 | ★ | ★ | ★ | ★ |
| QBY-25 | 0~2.4 | 0~50 | 6 | 7 | 2.5 | 7 | 0.6 | ★ | ★ | ★ | ★ |
| QBY-40 | 0~8 | 0~50 | 6 | 7 | 4.5 | 7 | 0.6 | ★ | ★ | ★ | ★ |
| QBY-50 | 0~12 | 0~50 | 6 | 7 | 8 | 7 | 0.9 | ★ | ★ | ★ | / |
| QBY-65 | 0~16 | 0~50 | 6 | 7 | 8 | 7 | 0.9 | ★ | ★ | ★ | / |
| QBY-80 | 0~24 | 0~50 | 6 | 7 | 10 | 7 | 1.5 | ★ | ★ | ★ | / |
| QBY-100 | 0~30 | 0~50 | 6 | 7 | 10 | 7 | 1.5 | ★ | ★ | ★ | / |
注:★-有 /-无
性能图谱
结构图纸
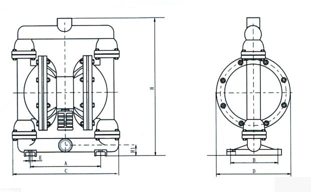
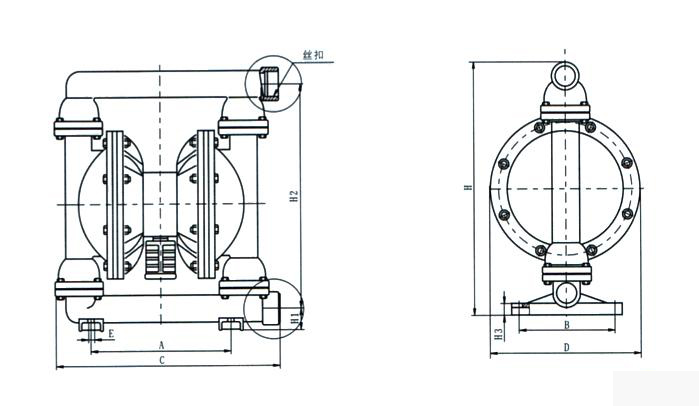
1 进气口 2 配气阀体 3 配气阀 4 圆球 5 球座 6 隔膜 7 连杆 8 连杆铜套 9 中间支架 10 泵进口 11 排气口
安装尺寸
| 型号 | A | B | C | D | E | H1 | H2 | H3 | G | 丝扣 | 备注 |
| QBY-10 | 120 | 58 | 210 | 140 | 10 | 40 | 255 | 12 | 270 | 3/8” | 工程塑料、氟塑料 |
| QBY-15 | 120 | 58 | 210 | 140 | 10 | 40 | 255 | 12 | 270 | 1/2” | |
| QBY-10 | 120 | 0 | 210 | 140 | 12 | 30 | 220 | 10 | 240 | 3/8” | 铸铁、不锈钢、铝合金 |
| QBY-15 | 120 | 0 | 210 | 140 | 12 | 30 | 220 | 10 | 240 | 1/2” |
| 型号 | A | B | C | D | E | H1 | H | 丝扣 | 备注 |
| QBY-10 | 160 | 0 | 200 | 160 | 10 | 40 | 260 | 3/8” |
铸铁、不锈钢、铝合金 |
| QBY-15 | 160 | 0 | 200 | 160 | 10 | 40 | 260 | 1/2” | |
| QBY-20 | 180 | 155 | 300 | 200 | 10 | 40 | 400 | 3/4” | |
| QBY-25 | 210 | 160 | 320 | 230 | 12 | 50 | 470 | 1” | |
| QBY-40 | 210 | 160 | 320 | 230 | 12 | 50 | 470 | 11/2” |
| 型号 | A | B | D5 | D6 | C | H | H1 | DN1 | DN2 | n-d1 | n-d2 | D3 | D4 | E | n-d4 |
进气口 外径 |
备注 |
| QBY-25 | 215 | 150 | 100 | 100 | 380 | 530 | 70 | 25 | 25 | 4-Φ11 | 4-Φ11 | 75 | 75 | 55 | 4-Φ10 | 10 |
工氟 |
| QBY-40 | 215 | 150 | 130 | 120 | 380 | 530 | 70 | 40 | 32 | 4-Φ13.5 | 4-Φ13.5 | 100 | 90 | 55 | 4-Φ10 | 10 | |
| QBY-25 | 220 | 160 | 110 | 110 | 370 | 575 | 68 | 25 | 25 | 4-Φ11 | 4-Φ11 | 75 | 75 | 80 | 4-Φ12 | 10 |
铸 铁 、 不 锈 钢 、 铝 合 金 |
| QBY-40 | 220 | 160 | 130 | 120 | 370 | 575 | 68 | 40 | 32 | 4-Φ13.5 | 4-Φ13.5 | 100 | 90 | 80 | 4-Φ12 | 10 | |
| QBY-50 | 340 | 240 | 140 | 140 | 550 | 800 | 65 | 50 | 50 | 4-Φ13.5 | 4-Φ13.5 | 110 | 110 | 145 | 4-Φ17.5 | 12 | |
| QBY-65 | 340 | 240 | 160 | 160 | 550 | 800 | 70 | 65 | 65 | 4-Φ13.5 | 4-Φ13.5 | 130 | 130 | 145 | 4-Φ17.5 | 12 | |
| QBY-80 | 340 | 240 | 190 | 190 | 580 | 950 | 100 | 80 | 80 | 4-Φ17.5 | 4-Φ17.5 | 150 | 150 | 130 | 4-Φ17.5 | 14 | |
| QBY-100 | 340 | 240 | 210 | 190 | 580 | 950 | 100 | 100 | 80 | 4-Φ17.5 | 4-Φ17.5 | 170 | 170 | 130 | 4-Φ17.5 | 14 |
型号定义





