产品概述
|
G型单螺杆泵在发达国家已广泛使用,由于其优良的性能,近年来在国内的应用范围也在迅速扩大。它的最大特点是对介质的适应性强、流量平稳、压力脉动小、自吸能力高。本泵结构紧凑,体积小,维修简便。对介质的适应性强,流量平稳,压力脉动小,自吸能力高。工作温度可达120℃,如果需输送120℃-350℃高温介质,可定做。广泛用于食品、冶金、造纸、印染、化工、化肥、制药等工业部门。
|
| 产品用途 |
| 输送高粘度流体的输送和含有硬质悬浮颗粒介质或含有纤维介质,如环境保护、船舶工业、石油工业、医药、日化、酿造业、建筑工业、采矿工业、化学工业、印刷、造纸工业等。 |
性能参数
| 型号 |
流量 (m3/h) |
压力 (Mpa) |
允许最 高转数 (r/min) |
电机 功率 (kw) |
必需汽 蚀余量 (m) |
进口法 兰通径 (mm) |
出口法 兰通径 (mm) |
允许颗 粒直径 (mm) |
允许纤 维长度 (mm) |
| G20-1 | 0.8 | 0.6 | 960 | 0.75 | 4 | 25 | 25 | 1.5 | 25 |
| G20-2 | 1.2 | 1.5 | |||||||
| G25-1 | 2 | 0.6 | 960 | 1.5 | 32 | 25 | 2 | 30 | |
| G25-2 | 1.2 | 2.2 | |||||||
| G30-1 | 5 | 0.6 | 960 | 2.2 | 50 | 40 | 2.5 | 35 | |
| G30-2 | 1.2 | 3 | |||||||
| G35-1 | 8 | 0.6 | 960 | 3 | 65 | 50 | 3 | 40 | |
| G35-2 | 1.2 | 4 | |||||||
| G40-1 | 12 | 0.6 | 960 | 4 | 80 | 65 | 3.8 | 45 | |
| G40-2 | 1.2 | 5.5 | |||||||
| G50-1 | 14 | 0.6 | 720 | 5.5 | 4.5 | 100 | 80 | 5 | 50 |
| G50-2 | 1.2 | 7.5 | |||||||
| G60-1 | 22 | 0.6 | 720 | 11 | 5 | 125 | 100 | 6 | 60 |
| G60-2 | 1.2 | 15 | |||||||
| G70-1 | 38 | 0.6 | 720 | 11 | 150 | 125 | 8 | 70 | |
| G70-2 | 1.2 | 18.5 | |||||||
| G85-1 | 56 | 0.6 | 630 | 15 | 150 | 150 | 10 | 80 | |
| G85-2 | 1.2 | 30 | |||||||
| G105-1 | 100 | 0.6 | 500 | 30 | 200 | 200 | 15 | 110 | |
| G105-2 | 1.2 | 55 | |||||||
| G135-1 | 150 | 0.6 | 400 | 45 | 250 | 250 | 20 | 150 | |
| G135-2 | 1.2 | 90 |
单级,由齿轮变速、电磁调速电机加齿轮变速或无级变速电机加齿轮变速时的性能参数
| 型号 | 压力0.3Mpa | 压力0.6Mpa | 可调转数 | ||||||
|
转数 (r/min) |
流量 (m3/h) |
电动机 功率 (kw) |
转数 (r/min) |
流量 (m3/h) |
电动机 功率 (kw) |
转数 (r/min) |
流量 (m3/h) |
电动机 功率 (kw) |
|
| G20-1 | 960 | 0.96 | 0.75-6级 | 960 | 0.8 | 0.75-6级 | 125~1250 | 0.1~1.5 | 1.1 |
| 720 | 0.8 | 0.55-8级 | 720 | 0.5 | 0.75-8级 | ||||
| 510 | 0.4 | 0.55-4级/齿轮箱 | 510 | 0.3 | 0.75-4级/齿轮箱 | ||||
| G25-1 | 960 | 2.4 | 0.75-6级 | 960 | 2 | 1.5-6级 | 125~1250 | 0.1~3 | 1.5 |
| 720 | 1.5 | 0.55-8级 | 720 | 1.27 | 1.1-8级 | ||||
| 510 | 1.08 | 0.55-4级/齿轮箱 | 510 | 0.9 | 1.1-4级/齿轮箱 | ||||
| G30-1 | 960 | 3.6 | 1.5-6级 | 960 | 3 | 2.2-6级 | 125~1250 | 0.2~4 | 2.2 |
| 720 | 2.28 | 1.1-8级 | 720 | 1.9 | 1.5-8级 | ||||
| 510 | 1.63 | 1.1-4级/齿轮箱 | 510 | 1.35 | 1.5-4级/齿轮箱 | ||||
| G35-1 | 720 | 4.8 | 2.2-8级 | 720 | 4.04 | 3-8级 | 125~890 | 0.3~5 | 3 |
| 510 | 3.36 | 1.5-4级/齿轮箱 | 510 | 2.8 | 2.2-4级/齿轮箱 | ||||
| 380 | 1.92 | 1.1-4级/齿轮箱 | 380 | 1.60 | 1.5-4级/齿轮箱 | ||||
| G40-1 | 510 | 6.8 | 2.2-4级/齿轮箱 | 510 | 5.6 | 3-4级/齿轮箱 | 125~890 | 0.3~10 | 4 |
| 380 | 5.1 | 1.5-4级/齿轮箱 | 380 | 4 | 2.2-4级/齿轮箱 | ||||
| 252 | 2.65 | 1.1-6级/齿轮箱 | 252 | 2.2 | 1.5-6级/齿轮箱 | ||||
| G50-1 | 510 | 13.8 | 4-4级/齿轮箱 | 510 | 11.5 | 5.5-4级/齿轮箱 | 80~750 | 1~18 | 5.5 |
| 380 | 10.2 | 4-4级/齿轮箱 | 380 | 7.5 | 5.5-4级/齿轮箱 | ||||
| 252 | 5.6 | 3-6级/齿轮箱 | 252 | 4.4 | 5.5-6级/齿轮箱 | ||||
| G60-1 | 510 | 20.8 | 7.5-4级/齿轮箱 | 510 | 16 | 11-4级/齿轮箱 | 63~630 | 1~20 | 11 |
| 380 | 15.6 | 7.5-4级/齿轮箱 | 380 | 12 | 11-4级/齿轮箱 | ||||
| 252 | 7.8 | 5.5-6级/齿轮箱 | 252 | 6 | 7.5-6级/齿轮箱 | ||||
| G70-1 | 510 | 26 | 11-4级/齿轮箱 | 510 | 20 | 11-4级/齿轮箱 | 56~560 | 1~22 | 11 |
| 380 | 17 | 7.5-4级/齿轮箱 | 380 | 13 | 11-4级/齿轮箱 | ||||
| 252 | 9.1 | 7.5-6级/齿轮箱 | 252 | 7 | 7.5-6级/齿轮箱 | ||||
| G85-1 | 380 | 32 | 11-4级/齿轮箱 | 380 | 25 | 15-4级/齿轮箱 | 37~370 | 2~24 | 15 |
| 252 | 21 | 7.5-6级/齿轮箱 | 252 | 16 | 11-6级/齿轮箱 | ||||
| 189 | 11 | 5.5-8级/齿轮箱 | 189 | 8 | 11-8级/齿轮箱 | ||||
| G105-1 | 380 | 80 | 15-4级/齿轮箱 | 380 | 65 | 22-4级/齿轮箱 | 29~290 | 3~50 | 22 |
| 252 | 44 | 15-6级/齿轮箱 | 252 | 34 | 22-6级/齿轮箱 | ||||
| 189 | 29 | 11-8级/齿轮箱 | 189 | 22 | 15-8级/齿轮箱 | ||||
| G135-1 | 380 | 132 | 37-4级/齿轮箱 | 380 | 120 | 45-4级/齿轮箱 | 18~180 | 3~56 | 45 |
| 252 | 95 | 30-6级/齿轮箱 | 252 | 80 | 37-6级/齿轮箱 | ||||
| 189 | 65 | 18.5-6级/齿轮箱 | 189 | 53 | 30-8级/齿轮箱 | ||||
双级,由齿轮变速、电磁调速电机加齿轮变速或无级变速电机加齿轮变速时的性能参数
| 型号 | 压力0.8Mpa | 压力1.2Mpa | 可调转数 | ||||||
|
转数 (r/min) |
流量 (m3/h) |
电动机 功率 (kw) |
转数 (r/min) |
流量 (m3/h) |
电动机 功率 (kw) |
转数 (r/min) |
流量 (m3/h) |
电动机 功率 (kw) |
|
| G20-2 | 960 | 0.96 | 1.5-6级 | 960 | 0.8 | 1.5-6级 | 125~1250 | 0.1~1.5 | 1.5 |
| 720 | 0.8 | 1.1-8级 | 720 | 0.5 | 1.5-8级 | ||||
| 510 | 0.4 | 1.1-4级/齿轮箱 | 510 | 0.3 | 1.1-4级/齿轮箱 | ||||
| G25-2 | 960 | 2.4 | 1.5-6级 | 960 | 2 | 2.2-6级 | 125~1250 | 0.1~3 | 2.2 |
| 720 | 1.5 | 1.1-8级 | 720 | 1.27 | 1.5-8级 | ||||
| 510 | 1.08 | 1.1-4级/齿轮箱 | 510 | 0.9 | 1.5-4级/齿轮箱 | ||||
| G30-2 | 960 | 3.6 | 3-6级 | 960 | 3 | 3-6级 | 125~1250 | 0.2~4 | 3 |
| 720 | 2.28 | 1.5-8级 | 720 | 1.9 | 2.2-8级 | ||||
| 510 | 1.63 | 1.5-4级/齿轮箱 | 510 | 1.35 | 2.2-4级/齿轮箱 | ||||
| G35-2 | 720 | 4.8 | 3-8级 | 720 | 4.04 | 4-8级 | 125~890 | 0.3~5 | 4 |
| 510 | 3.36 | 2.2-4级/齿轮箱 | 510 | 2.8 | 3-4级/齿轮箱 | ||||
| 380 | 1.92 | 1.5-4级/齿轮箱 | 380 | 1.60 | 2.2-4级/齿轮箱 | ||||
| G40-2 | 510 | 6.8 | 4-4级/齿轮箱 | 510 | 5.6 | 5.5-4级/齿轮箱 | 125~890 | 0.3~10 | 5.5 |
| 380 | 5.1 | 3-4级/齿轮箱 | 380 | 4 | 4-4级/齿轮箱 | ||||
| 252 | 2.65 | 2.2-6级/齿轮箱 | 252 | 2.2 | 3-6级/齿轮箱 | ||||
| G50-2 | 510 | 13.8 | 5.5-4级/齿轮箱 | 510 | 11.5 | 7.5-4级/齿轮箱 | 80~750 | 1~18 | 7.5 |
| 380 | 10.2 | 4-4级/齿轮箱 | 380 | 7.5 | 5.5-4级/齿轮箱 | ||||
| 252 | 5.6 | 3-6级/齿轮箱 | 252 | 4.4 | 5.5-6级/齿轮箱 | ||||
| G60-2 | 510 | 20.8 | 15-4级/齿轮箱 | 510 | 16 | 15-4级/齿轮箱 | 63~630 | 1~20 | 15 |
| 380 | 15.6 | 11-4级/齿轮箱 | 380 | 12 | 15-4级/齿轮箱 | ||||
| 252 | 7.8 | 7.5-6级/齿轮箱 | 252 | 6 | 11-6级/齿轮箱 | ||||
| G70-2 | 510 | 26 | 15-4级/齿轮箱 | 510 | 20 | 18.5-4级/齿轮箱 | 56~560 | 1~22 | 18.5 |
| 380 | 17 | 11-4级/齿轮箱 | 380 | 13 | 15-4级/齿轮箱 | ||||
| 252 | 9.1 | 11-6级/齿轮箱 | 252 | 7 | 11-6级/齿轮箱 | ||||
| G85-2 | 380 | 32 | 18.5-4级/齿轮箱 | 380 | 25 | 22-4级/齿轮箱 | 37~370 | 2~24 | 22 |
| 252 | 21 | 15-6级/齿轮箱 | 252 | 16 | 18.5-6级/齿轮箱 | ||||
| 189 | 11 | 15-8级/齿轮箱 | 189 | 8 | 15-8级/齿轮箱 | ||||
| G105-2 | 380 | 80 | 30-4级/齿轮箱 | 380 | 65 | 37-4级/齿轮箱 | 29~290 | 3~50 | 37 |
| 252 | 44 | 30-6级/齿轮箱 | 252 | 34 | 30-6级/齿轮箱 | ||||
| 189 | 29 | 22-8级/齿轮箱 | 189 | 22 | 22-8级/齿轮箱 | ||||
| G135-2 | 380 | 132 | 55-4级/齿轮箱 | 380 | 120 | 75-4级/齿轮箱 | 18~180 | 3~56 | 75 |
| 252 | 95 | 55-6级/齿轮箱 | 252 | 80 | 75-6级/齿轮箱 | ||||
| 189 | 65 | 37-8级/齿轮箱 | 189 | 53 | 45-8级/齿轮箱 | ||||
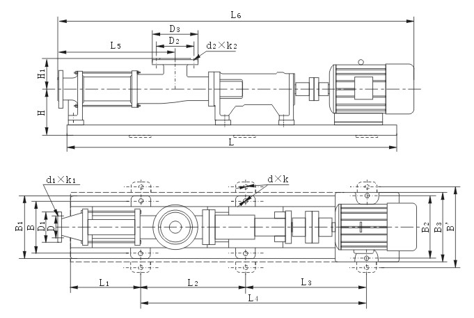
结构图纸
安装尺寸

型号定义





