产品概述
JMZ型不锈钢自吸泵采用新型机械密封组装,安装防爆,长年不漏,适合输送-35~+120℃的各种酒精、饮料、乳品、药剂、汽油、溶剂油、糖浆等。
本泵具有结构紧凑、操作简便、体积小、重量轻、性能稳定、不用底阀、起动是不需引灌等特点。该泵更换3~4个零件后便可用于输送浓浆、酸、碱、盐等液体。
性能参数
| 型号 |
进口 (mm) |
出口 (mm) |
流量 (m3/h) |
扬程 (m) |
吸程 (m) |
转速 (r/min) |
功率 (KW) |
| 25JMZ-22 | 25 | 25 | 3 | 22 | 5 | 2960 | 1.1 |
| 25JMZ-30 | 25 | 25 | 3 | 30 | 6 | 2960 | 1.5 |
| 40JMZ-22 | 40 | 25 | 6 | 22 | 5 | 2960 | 1.5 |
| 40JMZ-30 | 40 | 25 | 6 | 30 | 6 | 2960 | 2.2 |
| 40JMZ-40 | 40 | 25 | 6 | 40 | 6 | 2960 | 3 |
| 50JMZ-22 | 50 | 40 | 12 | 22 | 5 | 2960 | 2.2 |
| 50JMZ-30T | 50 | 50 | 20 | 30 | 6 | 2960 | 4 |
| 50JMZ-40 | 50 | 40 | 12 | 40 | 6 | 2960 | 4 |
| 65JMZ-22 | 65 | 50 | 24 | 22 | 5 | 2960 | 4 |
| 65JMZ-30T | 65 | 65 | 30 | 30 | 6 | 2960 | 5.5 |
| 80JMZ-22 | 80 | 65 | 48 | 22 | 5 | 2960 | 5.5 |
| 80JMZ-30 | 80 | 65 | 48 | 30 | 5 | 2960 | 7.5 |
| 125JMZ-18 | 125 | 100 | 100 | 18 | 5 | 2960 | 15 |
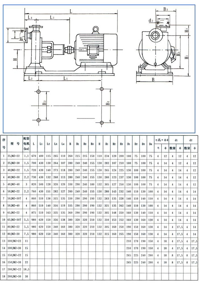
结构图纸
安装尺寸





